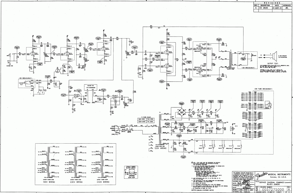
フェンダーBluesJuniorを修理する 投稿者:Hidehiro Tsubakihara2020年4月20日カテゴリー:未分類 依頼のアンプは出力管の一本が放電による高熱で印字が焦げていた… 電源部のコンデンサも怪しいので交換 電解コンデンサを一新 出力菅はペアなので、二本とも交換 見にくいけど、グリッド電圧も異常だったので、抵抗一本を交換 この抵抗一本で変な歪みの原因が解消 ブルースジュニアの回路図。この手のアンプは回路図があるから、解析が楽。 共有: X で共有 (新しいウィンドウで開きます) X Facebook で共有 (新しいウィンドウで開きます) Facebook いいね 読み込み中… 関連